Photometry using a photo
voltaic cell
Raymond
Libreri

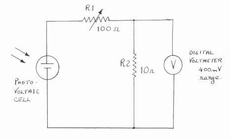
Circuit Diagram.
An EEL, 2 cm diameter selenium cell without a load will give a rapidly
increasing voltage with increasing illumination until it saturates at about 0.5
volts. So the voltage is not
directly related to the illumination.
Putting a load of about 100 ohms on the cell will reduce its output to 250
millivolts under strong sunlight conditions, but now the output will be linearly
related to the illumination. The
current passing will be about 3 milliamps in strong sunlight.
From the above it can be concluded that the internal resistance of the cell in
strong sunlight is about 80 ohms. Thus,
the inclusion of a 10 ohm load resistance will form a potential divider giving a
linear voltage output with illumination.
The circuit can be used to measure
illumination by means of a photocell and a digital voltmeter.